Multi-channel digital audio over RS485 Hardware: 2218 board SW project: STM32 cube MX+IDE MCU: STM32H533RET
You cannot select more than 25 topics Topics must start with a letter or number, can include dashes ('-') and can be up to 35 characters long.
 
 
unicod cbb32e6253 Audio_Task renamed to AudioDAC_Task 2 weeks ago
Core Audio_Task renamed to AudioDAC_Task 2 weeks ago
Drivers I2C1 enabled via CubeMX (LL) 4 weeks ago
doc Doc: audio node simple block diagram 2 weeks ago
.cproject Blinking LED on PC11 4 weeks ago
.gitignore Added gitignore 1 month ago
.mxproject I2C1 enabled via CubeMX (LL) 4 weeks ago
.project Project generated from MX 4 weeks ago
DigitalAudioH533.ioc I2S2 RX DMA 2 weeks ago
LICENSE License: Apache 2.0 4 weeks ago
README.md Added README 2 weeks ago
STM32H533RETX_FLASH.ld Project generated from MX 4 weeks ago
STM32H533RETX_RAM.ld Project generated from MX 4 weeks ago

README.md

Digital Multilingual Interpreter System Over RS-485

Concept

There was a need to create a multi-channel interpreter system that transmits audio data via RS-485 bus. The system includes permanently installed listener units that are wired using CAT6 cable. These units have a very simple user interface:

  • Channel selection buttons (+/-)
  • Volume control buttons (+/-)
  • Display to show the selected channel number and volume level

Users can choose from several languages (channels), and the original language can also be selected, which is an important feature for people with severe hearing impairments.

Data Transmission

For the audio stream we will use plain PCM samples.

  • Advantages of PCM: no encoding/decoding is required, which keeps the software simple.
  • Disadvantages: PCM needs a relatively large bandwidth on the communication channel.

Bus Architecture

Transmitting such a high-volume data stream demands a fast communication medium. Two candidates were considered: Ethernet and high-speed RS-485.

Ethernet

Drawbacks:

  • The hardware and software stack are complex (requires transformer, PHY, and a full Ethernet protocol stack).
  • A star topology is needed, which means the system would require many switches.

Benefits:

  • Each listener unit is galvanically isolated
  • Provides a very high bandwidth

RS-485

Benefits:

  • Simpler hardware and software (just a UART with an RS-485 driver)
  • Bus topology allows all units to be daisy-chained on a single cable, reducing wiring effort.

Drawbacks:

  • The bus is not inherently galvanically isolated; isolation components must be added if separation is required.

Conclusion

Given our priorities—simplicity of hardware/software and minimal cabling—the RS-485 bus is the optimal choice, provided we employ high-speed RS-485 transceivers capable of several megabits per second to accommodate the PCM data rate. We will provide galvanic isolation only between bus sections, with each section containing several units.

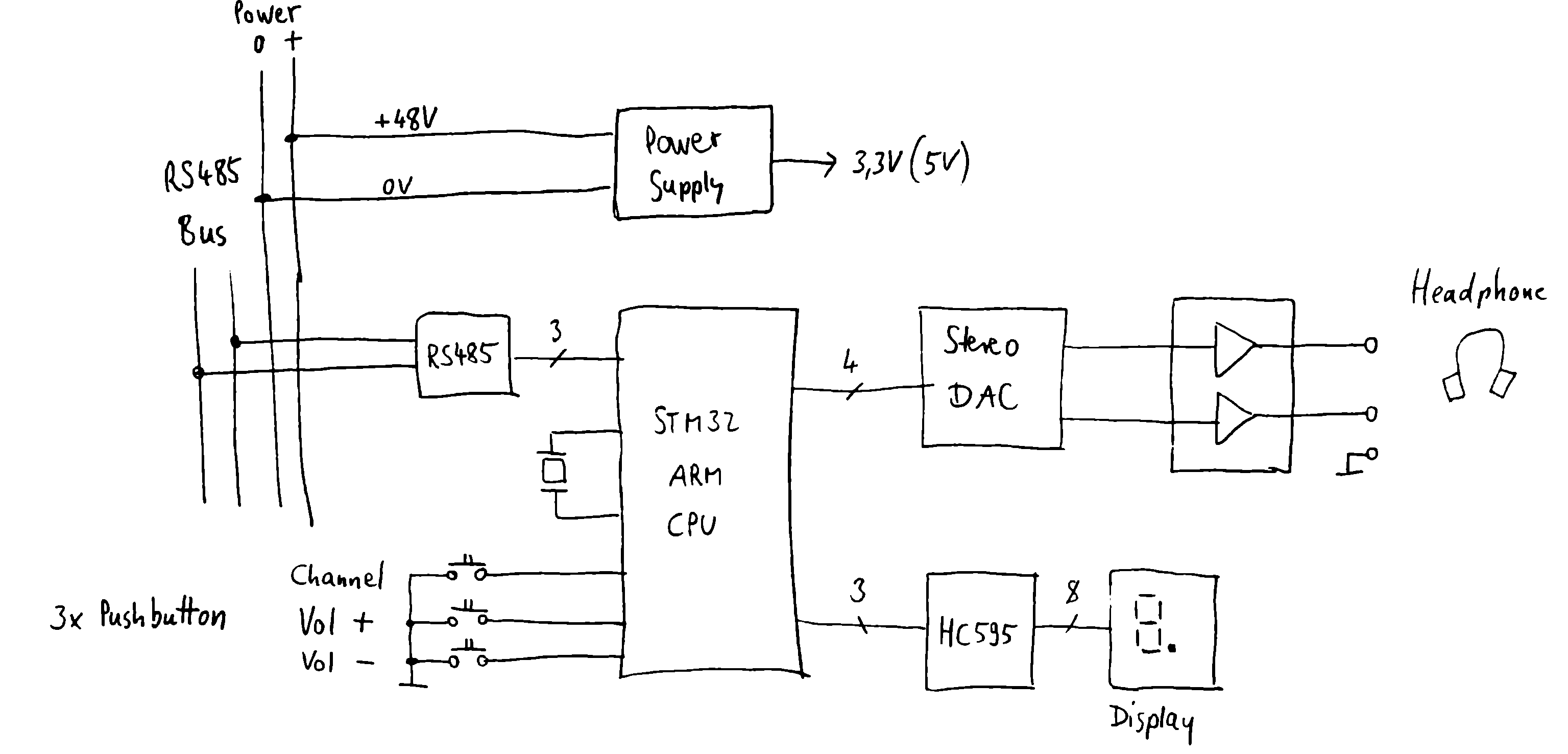
Hardware

First idea

Block diagram with the main parts:

  • RS-485 driver
  • STM32 ARM microcontroller with I2S audio interface
  • DAC (digital-to-analog converter)
  • Stereo power-amp (headphone amplifier)
  • Pushbuttons
  • Display
  • Power supply

Block diagram

Final Hardware

Main parts:

  • STM32H533RET microcontroller (512k flash, 272k RAM, max.250MHz, TQFP-64)
  • 2x RS485 port
  • 2x TLV320AIC3104 audio codec (ADC+DAC, mic. preamp with AGC, stereo headphone amp)
  • 8x pushbuttons
  • 2x 1.3" OLED 128x64 dotmatrix display (SH1106, SPI)
  • I2C serial EEPROM
  • 4-pol 3.5mm jack connector
  • 2x RJ-45 connector
  • power supply